Ismét egy kevéssé ismert feltalálóról emlékezünk meg, aki megalapozta a vezeték nélküli távíró létrehozását és megalkotta az első olyan eszközt, amivel rádióhullámokat lehetett detektálni, a kohérert. A francia fizikus és orvos neve saját hazájában megbecsülésnek örvend, azonban méltatlanul ritkán találkozunk a nevével a mai korszerű vezeték nélküli átvitel úttörői között Életéről nem sokat tudunk, így azt csak vázlatosan tudjuk bemutatni, pedig hosszú létet ajándékozott neki a sors, 95 évesen hunyt el. A 180 éves születésnapja alkalmából így inkább a találmánya lényegét mutatjuk be és találkozhatunk azokkal a nevekkel, akik az ő feltalált eszközére alapozva jutottak el a nagyobb hírnévig.
Édouard Eugéne Désiré Branly 1844. október 23-án született a Francia Királyságban, Amiensben Édouard Joseph Branly, az amiensi királyi kollégium tanítómestere és Elisa Emilia Gillion első gyermekeként. Iskoláit egy ideig a St. Quentin líceumban végezte, majd Párizsban a jó hírű IV. Henri líceumban folytatta. Itt került közelebb a természettudományokhoz és 1865-ben a párizsi Ecole Normale Superierure-ben folytatta tanulmányait, ahol 1868-ban szerezte meg matematikai és fizikai végzettségét, és nem sokkal utána az akadémiai fokozatát, az agrégé-t, ami felhatalmazta a tanári tevékenységre is.
Először Bourges-ban kapott professzori állást, ahol 1869-ben már vezető professzor lett, majd négy évvel később a Sorbonne-on a Fizika Tanszék Oktatási Laboratóriumának az igazgatója lett. Ugyanebben az évben, 1873-ban már a tudományok doktora lett „Elektrosztatikus jelenségek Volta-cellákban” című értekezésének a megvédésével. 1876-ban ezt az állását felmondta, mert a párizsi Katolikus Egyetemre invitálták fizika professzori pozícióba. Katolikus neveltetése miatt is szívesen ment át erre az egyetemre, bár a Sorbonne híre jobb volt. Később orvosi tanulmányokat kezdett és 1882-ben már ebből is diplomázott, utána a tevékenységét megosztotta a pszichoterápiai és elektroterápiai orvosi gyakorlat és a Katolikus Egyetemen folytatott kutatásai között.
1882-ben meg is nősült, Verdunban Marie Lagarde-ot vette feleségül. A házasságból később három gyermek született, Jeanne (1883), Étienne (1885) és Élisabeth (1889).
Branly 1884-ben lett figyelmes egy, az olasz Fizikai Társaság „Il Nuovo Cimento” című folyóiratában megjelent cikkre, amit egy olasz fizikus, Temistocle Calzecchi-Onestri publikált. Calzecchi-Onestri szigetelő kapszulába zárt fémporok tulajdonságait vizsgálta és erről írt értekezést a folyóiratban. Hosszas kísérletezésbe kezdett az olvasottak alapján és megállapította, hogy ha lazán vasreszeléket tölt egy üvegcsőbe, aminek a két végére elektródát helyez el, akkor az üvegcsövet elektromágneses térbe helyezve a vasreszelék „összeáll” és a beforrasztott elektródák között megszűnik a magas ellenállás, a vasreszelék vezetővé válik. Azt is észrevette, hogy ha oxidált vasreszeléket használ, a jelenség még erőteljesebb.
Akkor is vezető maradt az összeállt vasreszelék, ha megszüntette az elektromágneses teret. Ha viszont megkocogtatta az üvegcsövet, a vezetőképesség azonnal megszűnt. Ez egy érdekes megfigyelés volt, de nem találta világrengetőnek.
Az igazán nagy gondolata az volt, amikor arra jutott, hogy a Hertz által nem sokkal korábban felfedezett rádióhullámok is megváltoztatják az elektromágneses teret. Tovább folytatta tehát a kísérletezést úgy, hogy a szomszéd szobában egy szikragenerátort működtetett. A gondolat bevált: a szikragenerátor működtetése után a vasreszelék vezetővé vált és a két elektródán keresztül zárta az áramkört.
Branly ezek után különböző fémporokkal végzett kísérleteket, sőt az elektródák anyagát is változtatta és végül
eljutott egy olyan változatig, amit 1890. november 24-én a francia Tudományos Akadémia szakmai nyilvánossága előtt is bemutatott. Ő maga ezt az érzékelőt „rádióvezetőnek” hívta. Három évvel később Sir Oliver Lodge, aki fizikusként behatóan foglalkozott Hertz eredményeivel, az érzékelőt kohérernek nevezte el. Ez ellen ugyan Branly tiltakozott, mert szerinte ez félrevezető név, mert nem a reszelékek koherenssé válása a fizikai magyarázata a
jelenségnek, azonban a világ mégis ezen a néven ismerhette meg a feltalált eszközt.
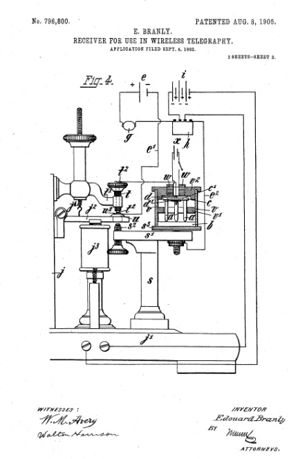
Későbbi kísérletei igazolták a sejtését. Kimutatta, hogy a polírozott fém és a végén oxidált, hegyes fémrúd illesztési pontján is végbemegy a jelenség, így nem szükséges a törékeny üvegcső, masszívabb lesz az eszköz. Elkészített egy olyan kohérert, ahol három hegyes, 2 mm átmérőjű, párhuzamos rudat felül egy tárcsa köt össze, alul pedig a hegyes, oxidált alsó végük egy polírozott acélsíkkal érintkezik. A felső tárcsa az egyik, míg a polírozott acéllemez a másik pólusa a kialakított lemezkohérernek. Kiderült, hogy a lemezkohérer – amellett, hogy robusztusabb, mint az üvegcsöves változat – hatékonyabban is működik. Erre
alapozva nyújtotta be a szabadalmát, amit aztán az USA-ban is levédetett. Ennek a lajstromszáma US Patent 796 800, a kérelmet 1902. szeptember 4-én nyújtotta be és 1905. augusztus 8-án kapta meg rá a szabadalmi védettséget.
A kohérert másfél évtizedig használták a rádióhullámok detektálására, mivel addig más eszköz
nem állt rendelkezésre. A kohérerre alapozta Guglielmo Marconi az első szikratávírós kísérleteit és Alekszander Sztyepanovics Popov is kohérert használt a viharjelző készülékeiben. Marconi az első táviratai egyikében el is ismerte Branly érdemeit, a következőket küldte el neki: "Mr. Marconi sends to Mr. Branly his regards over the Channel through the wireless telegraph, this nice achievement being partly the result of Mr. Branly's remarkable work." (Marconi úr a vezeték nélküli távírón, a Csatornán keresztül küldi üdvözletét Branly úrnak, ez a szép eredmény részben Bradly úr figyelemre méltó munkájának köszönhető). A rádiójelek vételében az 1907 után megjelent kristálydetektor háttérbe szorította a kohérert, de Christian Hülsmeyer még később is ezt használta a radar elődjének tekinthető Telemobiloszkóp berendezésében, mely hajókra telepítve segítette ködös időben az összeütközések elkerülését.
1927-ben Branly felesége meghalt, ekkor átköltözött a Saint-Michel boulevard 87 szám alá, ahol a lánya, Élisebeth lakott férjével, Paul Tournon építészmérnökkel és két gyermekükkel. Arra, hogy Branly-t mennyire tisztelték késő öregkorában is, jellemző, hogy 1936-ban felkereste Maurice Asselin francia festő és megfestette az arcképét. Ez a kép ma is megtekinthető az Albiban található Tolouse-Lautrec Múzeumban.
Branly számos kitüntetést kapott életében. 1900-ban elnyerte a francia Becsületrend lovagi fokozatát (chevalier de la Légion d’honneur). 1910-ben a belga Királyi Akadémia tagja lett, 1911-ben pedig a francia Akadémia is felvette a tagjai közé. 1933-ban a Becsületrend főtisztje (grand-officier de la Légion d’honneur) és 1938-ban a Becsületrend nagykeresztje (grand-croix de la Légion d’honneur) fokozatot. Ugyancsak 1938-ban XIII. Leó pápa a Nagy Szent Gergely-rend parancsnoki fokozatával tüntette ki. Branly-t élete során háromszor is jelölték Nobel-díjra, de
mindegyik alkalommal más kapta meg a díjat.
Édouard Branly elég szép kort ért meg, 95 éves korában, 1940. március 24-én érte a halál Párizsban, a lányával közös otthonában. Temetési szertartására március 30-án került sor a Notre-Dame-ban, ahol nemzeti ceremóniát tartottak a tiszteletére. A szertartást a francia egyházfő, a párizsi érsek és bíboros Jean Cardinal Verdier celebrálta és beszédet mondott Albert Sarraut oktatási miniszter. A temetésen részt vett Albert Lebrun köztársasági elnök is. Édouard Branly a Pére-Lachaise temetőben lett eltemetve.
dr. Bartolits István